深圳市智成電子有限公司
Shenzhen Zhicheng Electronic Co., Ltd.
全國咨詢熱線:
13510639094
深圳市智成電子有限公司
電話:0755-23282269
傳真:默認
手機:13510639094
郵箱:114749610@qq.com
地址:深圳市寶安區西鄉鎮桃源大廈3層
文章來源:admin 人氣: 1,881 發表時間: 04-06
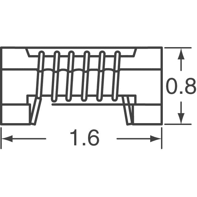
智成電子作為村田電感的一級代理供應商向您介紹LQW18AN27NG00D這款高性能電感器。LQW18AN27NG00D電感器是村田電感的一款無屏蔽繞線電感器,它具有27nH的電感值、0603(1608公制)的尺寸、440mA的最大電流和210毫歐的最大電阻。下面我們將對每一項參數進行詳細介紹。
電感值是電感器的重要參數之一,它表示電感器在電路中的電感值。LQW18AN27NG00D電感器的電感值為27nH,這使得它適用于許多不同的應用場合,如通訊設備、嵌入式系統、音頻電子設備等。
LQW18AN27NG00D電感器尺寸為0603(1608公制),這是一種非常小巧的電感器。小巧的尺寸有助于電路的設計和占用更小的空間,這使它非常適合于現代緊湊型電子設備的應用場合。

LQW18AN27NG00D電感器的最大電流為440mA,這使得它非常適合于高性能電子設備的應用場合。最大電流的限制時非常重要的,因為當電流超過其允許的最大值時,電感器會失效。但不用擔心,這個最大電流是足夠大的,可以滿足大多數應用場合的要求。
LQW18AN27NG00D電感器的最大電阻是210毫歐,這是一個衡量電感器效率的重要參數。最大電阻越小,電感器的效率越高。因此,在相同電感值的情況下,210毫歐的最大電阻可以提供更高效的性能。

以上是關于LQW18AN27NG00D電感器各項參數的詳細介紹。智成電子是村田電感的一級代理供應商,如果您需要購買村田電感器,可以選擇我們。我們承諾向客戶提供高品質的產品和專業的服務,同時我們庫存豐富,有現貨供應。如果您有任何需求,請隨時聯系我們。